Previous photo At last photo View full size image
Top index page » i) Control Wiring
IMG_1696 IMG_1699 Control Wiring
First page Previous page Index page At last page At last page
Control Wiring  [3 of 3]


Download original image (0.02 MB) Order a print of this image from shutterfly.com Click to show/hide keyboard shortcut help
Keyboard shortcuts are active:

RIGHT arrow - next page
LEFT arrow - previous page
Page Up - index page
HOME - first page
END - last page
ESC,S,s - toggle start/stop slide show
Page down,Z,z - Zoom in/out
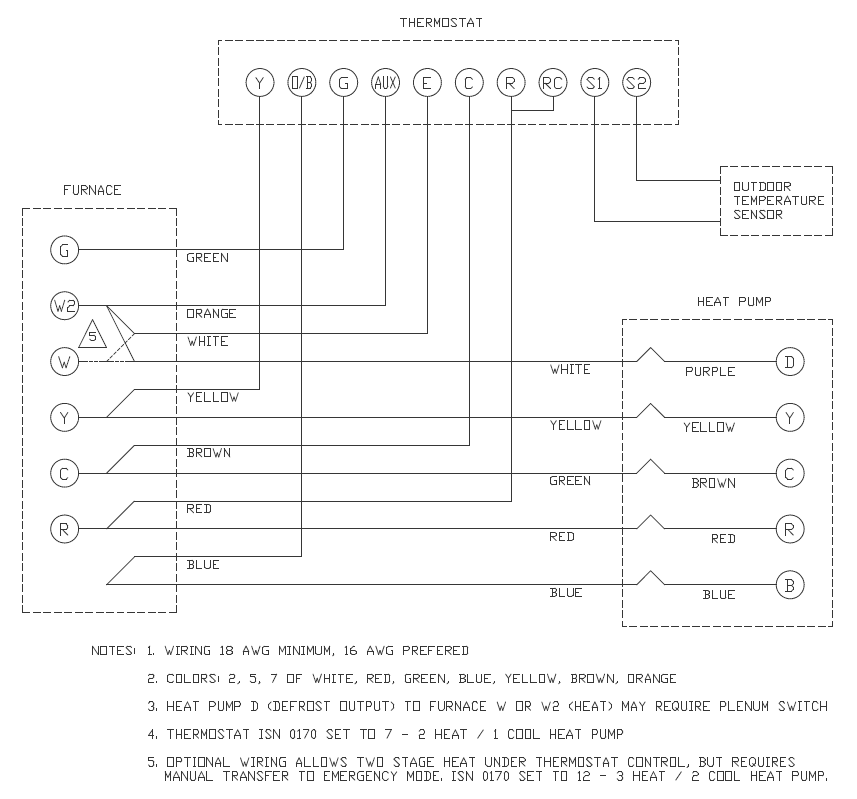
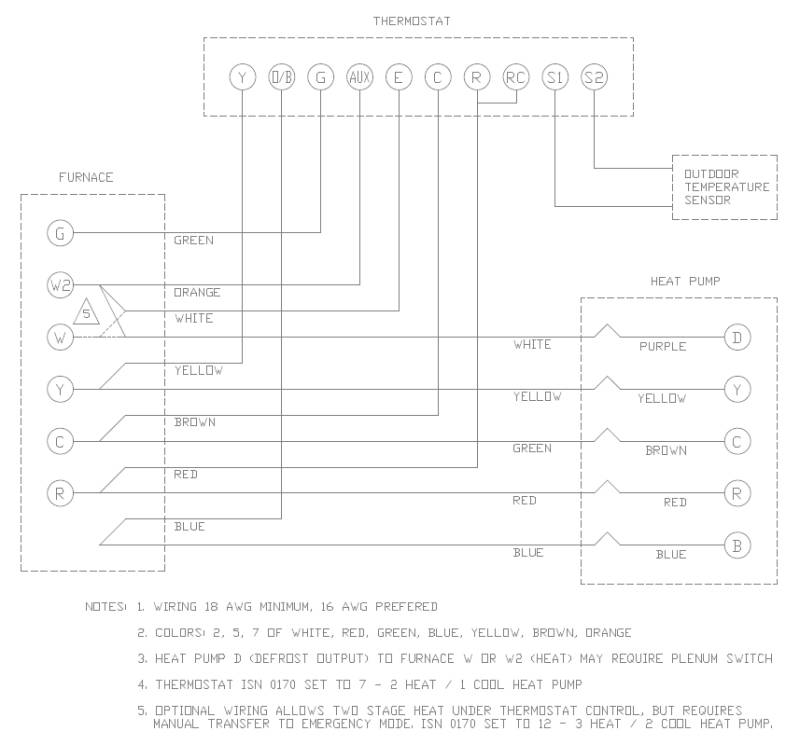
ExhibitPlus Control Wiring This is a
This is a "hybrid" system with both a heat pump and a gas furnace. The idea, patented in 1979, is typically configured with a Fossil Fuel Kit. My system will use an advanced thermostat (Honeywell TH8321U) instead.